Studio preliminare e progettazione integrata campo fotovoltaico 3Mw

Castelfranco dell'Emilia (MO)
Torna ai Casi di Successo

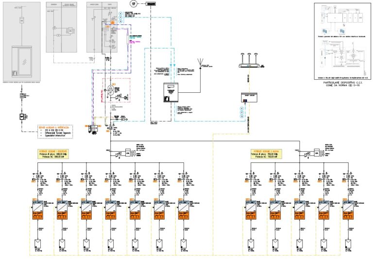
Studio preliminare e progettazione integrata per la fornitura e posa di tre campi fotovoltaici a terra con potenza installata totale pari ad 3 MW.

Tipologia:

Pubblico, fonti rinnovabili.

Key points:

Tensione: 3Mw

Numero di impianti: tre

Tipologia: fotovoltaico a terra

Servizi: Studio di fattibilità e progettazione integrata

© Copyright GSA 5.zero srl - P.iva 04095701209 - SDI: SUBM70N - Cap. soc. 10.000 euro i.v - Privacy Policy - Cookie Policy
chevron-down